- Код товара: 92105-A
- Доступность: Нет в наличии
320BYN
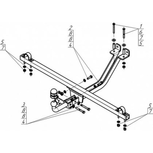
| Характеристики | |
| Толщина | Сталь мм |
| Артикул | 92105-A |
| Вырез бампера | Нет |
| Крепление крюка | Условно съемный крюк (на болтах) |
| Нагрузка | 50/800 |
| Размер | 1260x280x230 мм |
| Тип шара | A, Оцинкованный |
| Электрика | Приобретается отдельно |
&&&https://cdn.tachka.ru/manuals/motodor/92105a/upload-PDF-92105-A.PDF@@@Инструкция по установке&&&https://cdn.tachka.ru/manuals/motodor/certificate/farkop/certificate-2023-2027.pdf@@@Сертификат
&&&



