- Код товара: FD 34
- Доступность:
350р.
| Характеристики | |
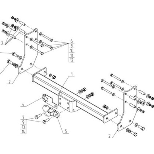
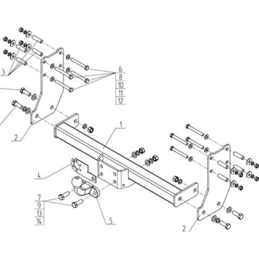
| Артикул | FD 34 |
| Вырез бампера | Нет |
| Демонтаж бампера | Нет |
| Крепление крюка | Фланцевое крепление (на 2-х болтах) |
| Материал | Сталь с порошковым покрытием |
| Нагрузка | 3000/120 |
| Тип шара | F |
| Установка | от 3000 руб. (c подключением электрики) |
| Электрика | Приобретается отдельно |
&&&https://cdn.tachka.ru/manuals/avtos/fd34/upload-iblock-ee0-FD34 (Transit пикап).pdf@@@Инструкция по установке&&&https://cdn.tachka.ru/manuals/avtos/certificate/farkop/certificate-2023.pdf@@@Сертификат
&&&



