- Код товара: 92525-E
- Доступность: Нет в наличии
312р.
| Характеристики | |
| Привод | Полный |
| Толщина | 8 мм |
| Артикул | 92525-E |
| Вес | 9,1 кг |
| Вырез бампера | Нет |
| Габариты в упаковке | 40x17,5x22 см |
| Двигатель | Бензиновый, дизельный |
| Демонтаж бампера | Нет |
| Крепление крюка | Крюк легкосъемный под американский квадрат |
| Нагрузка | 2500/100 |
| Размер | 400x175x220 мм |
| Тип шара | E (оцинкованный) |
| Электрика | Приобретается отдельно |
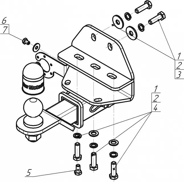
Запрещается эксплуатация ТСУ с затянутым фиксирующим болтом!
1. Для удобства монтажа демонтировать пластиковую заглушку в бампере.
2. В штатные резьбовые отверстия установить ТСУ при помощи болтов М12х40х1,25 с шайбами и гр. шайбами 12 согласно схеме установки.
3. Закрепить подрозетник при помощи болта М8х10 и шайбы 8.
4. Установить вставку с шаром, закрепить её пальцем при помощи шплинта (либо установить заглушку и закрепить её болтом М10х20).
5. Затянуть все крепёжные элементы с необходимым усилием. Вернуть на место пластиковую заглушку.
6. Выполнить электромонтаж розетки световой сигнализации.
&&&https://cdn.tachka.ru/manuals/motodor/92525e/upload-PDF-92525-E.PDF@@@Инструкция по установке&&&https://cdn.tachka.ru/manuals/motodor/certificate/farkop/certificate-2023-2027.pdf@@@Сертификат
&&&





